

Com indicador do estado da carga e de diagnósticos

Monitorização de corrente e alarmes até 50A (com transformador de corrente)
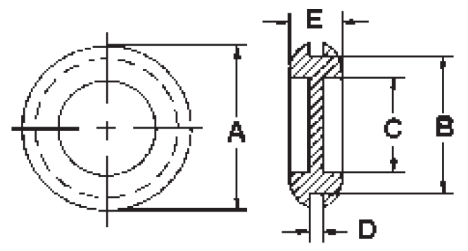
![]()
O ECOM permite a monitorização em tempo real através de ligação RS485 com protocolo MODBUS RTU. O controlo direto também é possível, medi...














